產品目錄/ Product
![]() ![]() ![]() |
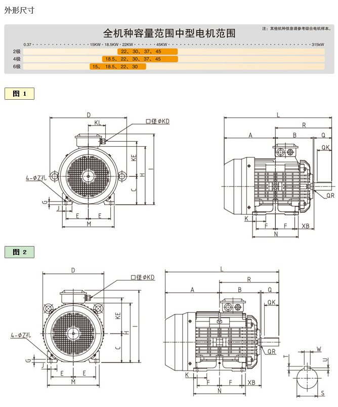
15KW-45KW?? 強有力適用于高負載與頻繁使用 重視加速特性的設計思想 低噪音 充分改善作業環境 運用最新的高科技手段來實現低噪音化 優于其它公司的低噪音、低振動電動機 高可靠性、長壽命 擁有嚴格的品質管理體系 輕量化 外形尺寸 全機種容量范圍中型電機范圍 2極 22KW、30KW、37KW、45KW 4極 18.5KW、22KW、30KW、37KW、45KW 6極 15KW、18.5KW、22KW、30KW 全國(guo)熱線: 13924335044 |




上一主題:TOSHIBA東芝鑄鐵機殼電機 |
熱銷產品