產品目錄/ Product
![]() ![]() ![]() |
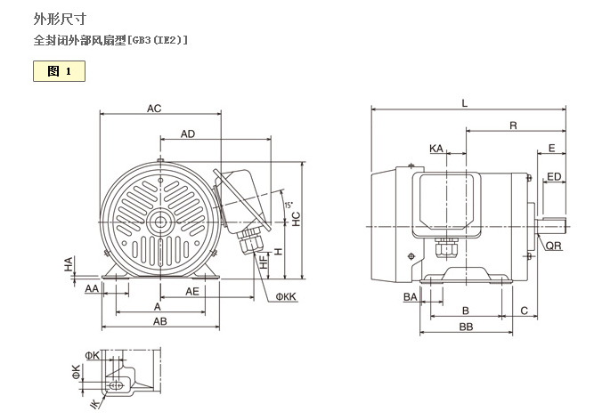
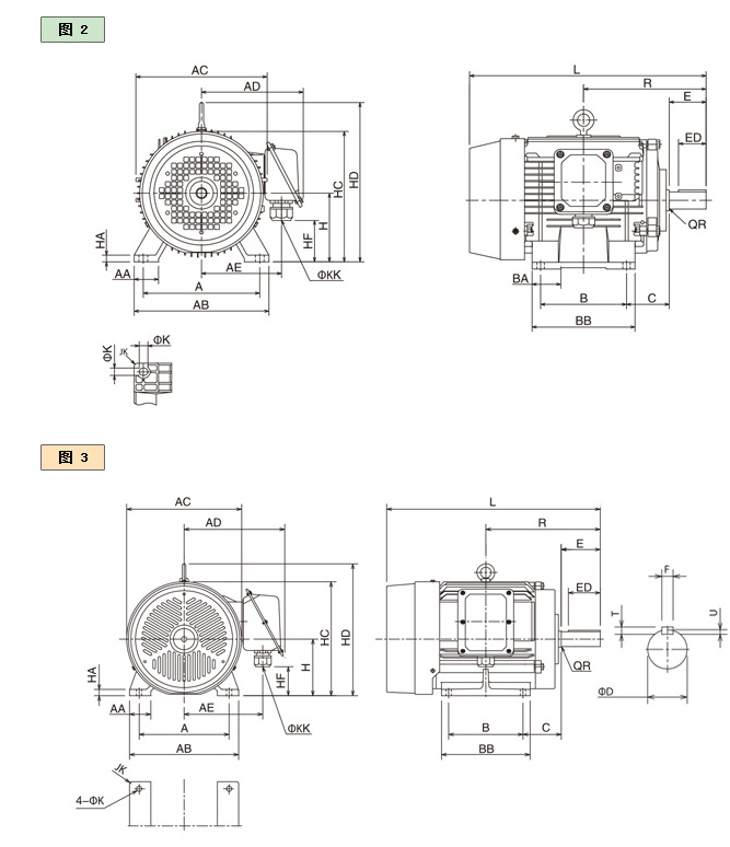
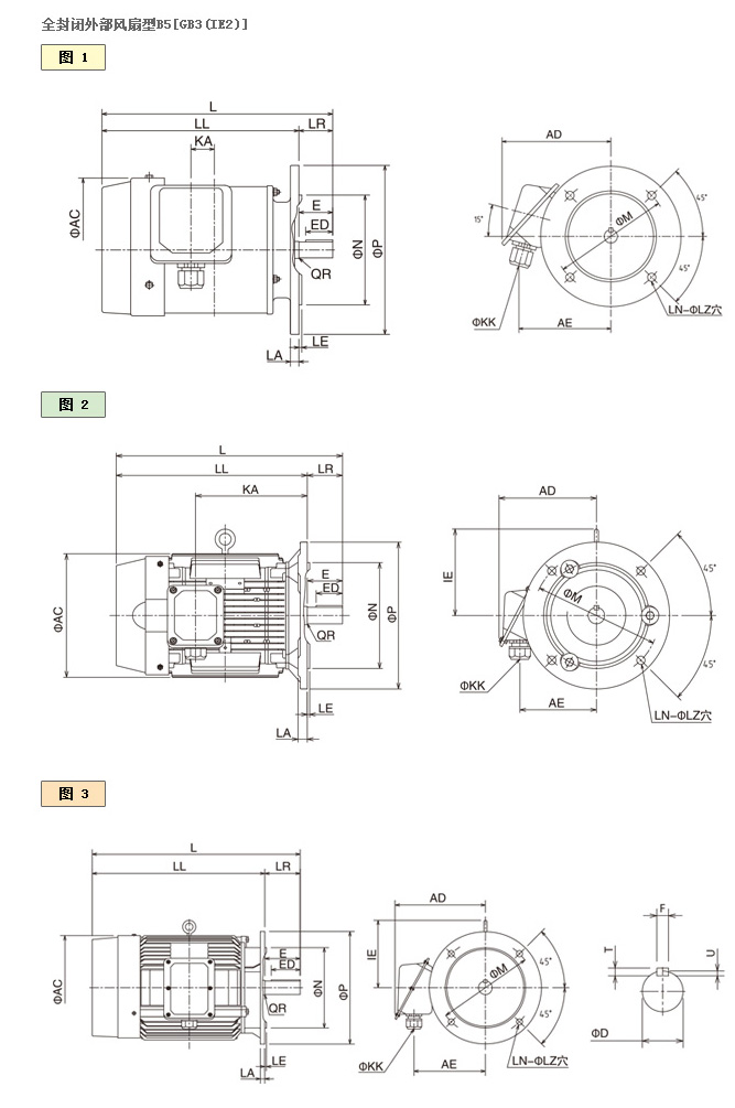
鋁殼電機 機座號80M-160L(輸出功率0.75KW-18.5KW)?? 強有力適用于高負載與頻繁使用 重視加速特性的設計思想 低噪音 充分改善作業環境 運用最新的高科技手段來實現低噪音化 優于其它公司的低噪音、低振動電動機 高可靠性、長壽命 擁有嚴格的品質管理體系 輕量化 機座號80M-160L(輸出功率0.75KW-18.5KW)采用鋁外殼,從而實現大幅輕量化。 外形尺寸 全封閉外部風扇型(GB3(IE2)) 全國熱線: 13924335044 |







上一主題(ti):全封閉外部風扇型電動機 | 下(xia)一主題:鋁殼電機0.75KW-18.5KW |
熱銷產品